PVC磁翻板液位計是根據浮力原理和磁性耦合作用原理工作的。當被測容器中的液位升降時,液位計主導管中的浮子也隨之升降。浮子內的磁鋼通過磁耦合傳遞到現場指示器,驅動紅、白翻柱翻轉180°;當液位上升時,翻柱由白色轉為紅色,當液位下降時,翻柱由紅色轉為白色,指示器的紅、白界位處為容器內介質液位的實際高度,從而實現液位的指示。
特點
◇具有就地顯示、信號遠傳、液位報警功能
◇液位高度指示很直觀,液體顯示藍色、氣體顯示紅色
◇可遠傳控制,輸出信號:4~20mA疊加HART協議
◇輸出開關量報警信號
◇帶夜光現場指示
◇可捆綁磁致伸縮式液位計,精度更高
[適用范圍]
普通型:適用于低、中、高壓、無特殊防腐要求場合。
真空型:適用于超低、超高溫、低、中、高壓、無特殊防腐要求場合。
防霜型:適用于低溫、低、中、高壓、無特殊防腐要求場合。
地下型:適用于埋地式或頂部開孔貯槽、介質竄動不大的場合。
夾套型:適用于保溫或冷卻,,無特殊防腐要求場
內襯型:四氟或其它襯里,適用于特殊防腐要求的低、中、高壓場合。
防腐型:PP或PVC材質、適用于常溫、常壓耐腐蝕場合。
PVC磁翻板液位計技術參數 | ||||||||||||||||||||||||
◇就地指示部分: | ||||||||||||||||||||||||
| ||||||||||||||||||||||||
密 度 差:0.25g/cm3 | ||||||||||||||||||||||||
| ||||||||||||||||||||||||
| ||||||||||||||||||||||||
結構及工作原理
1、基本型
根據浮力原理,浮子在測量管內隨液位的升降而上、下移動,浮子內的**磁鋼通過耦合作用,驅動紅、白色翻柱翻轉180°,液位上升時翻柱由白色轉為紅色,下降時由紅色轉為白色,從而實現液位指示。
2、電遠傳
在浮子液位計上安裝變送器,通過浮子上下移動,經磁耦合作用使導桿內測量元件依次動作,獲得電阻信號變化,轉換成0~10mA或4~20mA的標準信號輸出,與顯示儀表或計算機連接,達到遠傳目的。
3、上下限開關輸出
在液位計立管上由用戶設定上、下限位置安裝控制器,控制器內帶有自保持作用的舌簧開關,利用磁性浮子隨液位移動使簧片開關動作時,實現報警或限位控制。

系統構成及接線
1、上下限開關輸出
由具有自保持作用的舌簧開關和轉換器組成,舌簧開關和轉換器分別安裝于現場和控制室,由轉換器提供三對觸點開關。
2、電遠傳
由測量單元和變送單元兩部分組成。
3、本安防爆
a 帶本安防爆,上、下限開關輸出型
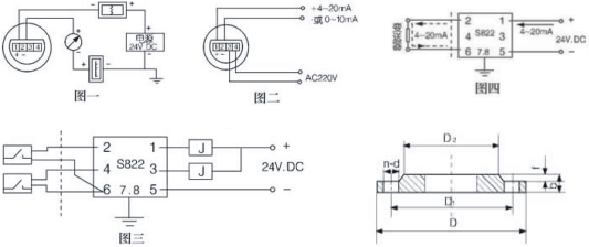
防爆開關由舌簧開關和帶繼電器觸點的安全柵組成,可向用戶直接提供一對常開或常閉觸點。如用戶需更多觸點可特殊設計訂貨。(圖三)
b 帶本安防爆遠傳型
適合使用于∏類電氣設備(工廠用)、C級氣體,-高表面溫度組別T4(135℃)。(圖四)
c 使用注意事項
①變送器外殼設有外接地,用戶使用時必須可靠接地。
②安全柵的使用應遵守有關使用說明內容。
③變送器與安全柵本安端的連接電纜為二芯屏蔽電纜,芯線截面積>0.5m,電纜允許分布電容為0.8μF。

PVC磁翻板液位計選型:
| XT-UHZ-52 | Y | 液位 | 測量型式 | ||||||||
| J | 界面 | ||||||||||
| O | 無 | 遠傳裝置 | |||||||||
| LB | 4-20mA | ||||||||||
| O | 普通型 | 防爆形式 | |||||||||
| G | 隔爆型 | ||||||||||
| Z | 本安型 | ||||||||||
| O | 無 | 液位控制 (報警)開關 | |||||||||
| S | 上報警 | ||||||||||
| X | 下報警 | ||||||||||
| K | 上、下報警 | ||||||||||
| GS | 數顯儀表 | ||||||||||
| A | 1Cr18Ni9Ti(321) | 接液材質 | |||||||||
| B | OCr18Ni9(304) | ||||||||||
| C | 316L | ||||||||||
| D | RPP | ||||||||||
| E | PVC | ||||||||||
| F | 304內襯PTFE | ||||||||||
| mm | 中心距 | ||||||||||
| 1.6-16MPa | 工作壓力 | ||||||||||
| g/cm3 | 介質密度 | ||||||||||
| /W | 帶蒸汽夾套 | 結構特點 | |||||||||
| /T1 | -80~+10℃ | ||||||||||
| /T2 | -10~+120℃ | ||||||||||
| /T3 | -10~+250℃ | ||||||||||
| /T4 | -10~+350℃ | ||||||||||
配件組裝流程:
1. 本體周圍不容許有導磁物質接近,禁用鐵絲固定,否則會影響磁翻板液 位計的正常工作;
2. 如用戶自行采用伴熱管路時,必須選用非導磁材料,如紫銅管等。伴熱溫度根據介質 情況確定;
3. 磁翻板液位計安裝必須垂 直,磁翻板液位計與容器引管間應裝有球閥,便于檢修和清洗;
4. 介質內不應含有固體雜質或磁性物質,以免對浮子造成卡阻;
5. 使用前應先用校正磁鋼將零位以下的小球置成紅色,其它球置成白色;
6. 打開底法蘭,裝入磁性浮子(注意:重端帶磁性一端向上,不能倒裝。);
7. 調試時應先打開上部引管閥門,然后緩慢開啟下部閥門,讓介質平穩進入主導管(運 行中應避免介質急速沖擊浮子,引起浮子劇列波動,影響顯示準確性),觀察磁性紅白球 翻轉是否正常,然后關閉下引管閥門,打開排污閥,讓主導管內液位下降,據此方法操 作三次,確屬正常,即可投入運行(腐蝕性等特殊液體除外);
8. 應根據介質情況,不定期清洗主導管清除雜質;
9. 對超過一定長度(普通型>3米、防腐型>2米)的液位計,需增加中間加固法蘭或耳攀 作固定支撐,以增加強度和克服自身重量;
10. 磁翻板液位計的安裝位置,應避開或遠離物料介質進出口處,避免物料流體局部區 域的急速變化,影響液位測量的準確性;
11. 當配有遠傳配套儀表(UB或UK )時需做到如下幾條:
a) 應使遠傳配套儀表緊貼液位計主導管,并用不銹鋼抱箍固定(禁用鐵質);
b) 遠傳配套儀表上感應面應面向和緊貼主導管;
c) 遠傳配套儀表零位應與液位計零位指示處在同一水平線上;
d) 遠傳配套儀表與顯示儀表或工控機之間的連線-好單獨穿保護管敷設或用屏蔽二芯電 纜敷設;
e) 接線盒進線孔敷設后,要求密封良好,以免雨水、潮氣等侵入而使遠傳配套儀表不能 正常工作,接線盒在檢修或調試完成后應及時蓋上。




